benst
ดู Blog ทั้งหมด

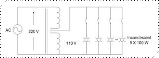
Step-Down Autotransformer

เขียนโดย benst

Step-Down Autotransformer



     Lamp

primary

Secondary

(W1-W2)

W1

V1

A1

PF1

W2

V2

A2

PF2

Losses

0

0

220

0

0

0

110.1

0

0

0

1

39.25

220

0.18975

0.94

32.4

110

0.295

1

6.85

2

70

220

0.33

0.98

65.4

110.1

0.589

1

4.6

3

103.75

220

0.48

0.99

95.2

108.5

0.879

1

8.55

4

137.25

220

0.6325

0.99

126.6

107.7

1.18

1

10.65

5

171.25

220

0.775

1

159.5

108

1.475

1

11.75

6

186

220

0.8325

1

170.5

107.5

1.585

1

15.5

7

195.75

220

0.8925

1

179.3

106.1

1.694

1

16.45

8

211.25

220

0.9525

1

195.9

107.5

1.82

1

15.35


At Full Load Condition

                             = 92.73%    

Losses                     = 15.35 W

S1                             = 209.55 VA  

S2                             = 195.65 VA

Voltage Regulation = 2.41%

ความคิดเห็น

ยังไม่มีความคิดเห็น